重型旋轉卸料閥RVS結構

產品特點及其作用
| 可選配置
| ||
| ? | 口徑從100mm到600mm連續10個型號,對應高度從190mm到 930mm | ? | 殼體和邊蓋材質可選,不銹鋼304,不銹鋼316,不銹鋼304L, 不銹鋼316L |
| ? | 材質為不銹鋼304 | ? | 葉片可選6葉片,10葉片,12葉片 |
| ? | 法蘭鉆孔尺寸標準:GB PN10, ANSI 150#, DIN PN10, JIS10K | ? | 葉輪類型:閉式轉子,圓齒型轉子,小圓底轉子,可調、可換轉子 |
| ? | 良好的間隙控制讓閥門具有很高的輸送效率和較少的空氣泄漏量 | ? | 轉子耐磨葉尖可替換 |
| ? | 標配外置軸承,并有各種不同的軸封形式適用于不同的工作環境 | ? | 殼體內部電鍍鉻硬化處理,內襯碳化物耐磨層。 |
| ? | 在不超過250°C的高溫下依然有良好的工作表現 | ? | 軸封根據需要,采用氣封或迷宮密封環 |
| ? | 工作壓力不超過1.5bar (21PSI) | ? | 殼體排氣孔 |
| ? | 標配開式8葉片 | ? | 配件:物料加速室,接近開關,排氣倉,氣體吹掃系統 |
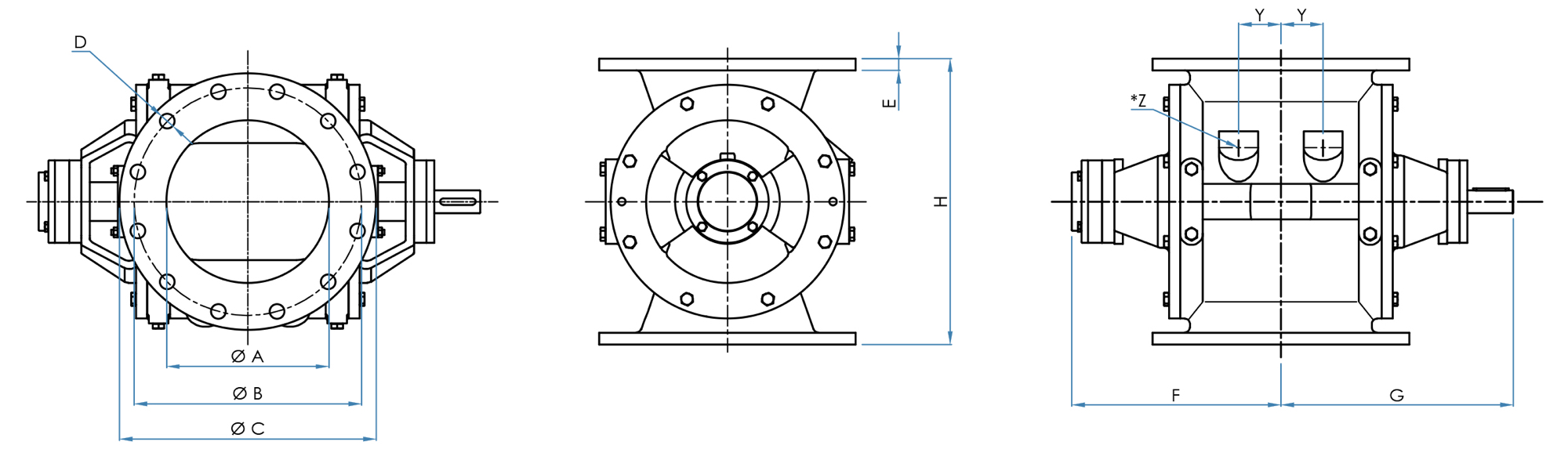
RVS的尺寸

技術參數
| 型號 | 容積 L/Rev | 進料口/出料口尺寸 | 其他尺寸 | |||||||||||
| ? A | ? B DIN | ? C DIN | D DIN | ? B ANSI | ? C ANSI | D ANSI | E | H | F | G | Y | *Z | ||
| RVS 100 | 1 | 100 | 180 | 220 | 8 x ? 18 | —— | —— | —— | 10 | 190 | 205 | 230 | —— | —— |
| RVS 150 | 4 | 150 | 240 | 285 | 8 x ? 22 | 241.3 | 279 | 8 x ? 22.2 | 15 | 320 | 245 | 265 | 37.5 | 1" |
| RVS 200 | 10 | 200 | 295 | 340 | 8 x ? 22 | 298.4 | 343 | 8 x ? 22.2 | 15 | 380 | 275 | 305 | 55 | 1?" |
| RVS 250 | 18 | 250 | 350 | 395 | 8 x ? 22 | 361.9 | 406 | 8 x ? 25.4 | 18 | 440 | 322 | 355 | 65 | 1?" |
| RVS 300 | 30 | 300 | 400 | 445 | 8 x ? 22 | 431.8 | 483 | 8 x ? 25.4 | 23 | 520 | 365 | 405 | 85 | 1?" |
| RVS 350 | 45 | 350 | 460 | 505 | 8 x ? 22 | 476.2 | 533 | 8 x ? 28.6 | 25 | 580 | 403 | 445 | 90 | 1?" |
| RVS 400 | 65 | 400 | 515 | 565 | 8 x ? 24 | 539.7 | 597 | 8 x ? 28.6 | 25 | 640 | 433 | 475 | 105 | 1?" |
| RVS 450 | 90 | 450 | 565 | 615 | 8 x ? 24 | 577.8 | 635 | 8 x ? 31.7 | 25 | 700 | 468 | 535 | 115 | 1?" |
| RVS 500 | 120 | 500 | 620 | 670 | 8 x ? 24 | 635 | 699 | 8 x ? 31.7 | 30 | 780 | 513 | 575 | 130 | 2" |
| RVS 600 | 200 | 600 | 725 | 780 | 8 x ?30 | 749.3 | 813 | 8 x ? 34.9 | 35 | 930 | 578 | 640 | 190 | 2" |
| *圖形尺寸單位為毫米,廠家保留技術修改的權利 | ||||||||||||||
